Pflaugis - Arcade
© Pflaugis - Arcade 2026 / Letztes Update: 14.01.2026

Die Welt der Arcade Games....

Pac Man, Asteroids, Galaxian, Galaga, Missile Command, Frogger, Phoenix, Battle Zone, Hang on, Outrun... ...schöne Erinnerungen an eine schöne Zeit...
Bomb Jack - Original Bomb Jack - Original
Fehleranalyse: - Tonfehler - Farbfehler / Grafikfehler

Bomb Jack mit Ton und Grafikfehler

Auf dem Tisch hatte ich eine Bomb Jack Originalplatine eines guten Freundes, die er mit einem Automaten zusammen gekauft hatte.
Die Verkabelung sah nicht gut aus. Diese habe ich kurz überprüft und die Platine dann angesteckt und eingeschaltet. Resultat war Tonfehler und fehlendes blau.
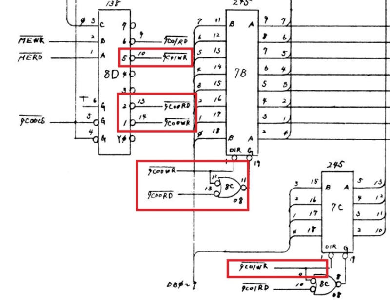
Hatte mir dann die Platine mal genauer angeschaut. Ton war gleich gefixt. Hier hatte sich ein Kabel gelöst das vom YM2149 Position D - 4/3 PIN 19 zum 74LS257 Position H - 6 PIN 4 verläuft.
Hatte die Platine dann auseinandergebaut und mir die Unterseite angeschaut. Uns siehe da, hier hatte schon der Vorgänger gelötet. Da es sich um ein Kontaktproblem handelt bin ich die Lötstellen nochmal angegangen.
Der erneute Test war ernüchternd. Sync Problem (oder doch nicht?) und Reset Schleife. Okay, wahrscheinlich hatte es den IC jetzt vollends erwischt. Hab ihn gleich mal ausgelötet und getestet. Aber der 74LS08 war in Ordnung.
Hatte ihn dann gesockelt und zurück auf´s Board gesetzt.
Aus dem Testmenü konnte ich leider nichts erkennen was natürlich nicht gut war.
Als nächsten Schritt hab ich mir dann die CPU´s angeschaut. Reset ist high (PIN 26), Clock ist auch da (PIN 6). Von dieser Seite war auch alles in Ordnung.
Beim messen ist mir dann aufgefallen das der gesockelte 74LS08 und der daneben sitzende 74LS138 mit einigen PIN´s kurzschlüssig auf GND war. Hatte dies aber dann zunächst verworfen da die IC´s wenn die Platine angeschlossen war normal und ohne Probleme mit 5V versorgt wurde. Dann hatte ich mal die obere Platine mit meiner funktionierenden queer getauscht. Da das board dann funktionierte konnte ich den Fehler schonmal auf das obere board eingrenzen. Hatte dann weiter getestet und konnte mit der Sonde an EPROM 3 (Position E8) an PIN22 das Testmenü, wenn auch unleserlich sichtbar machen. Hier sieht man das an RAM4 ein Zusatz hinten steht. Ich denke "BAD RAM" oder „ERROR“. Auch konnte ich das Sync Problem jetzt ausschließen, da das Menü normal angezeigt wurde. Zum Vergleich rechts mal ein funktionierendes Testmenü.
Im Schaltplan war leider nicht zu finden wo RAM4 ist. Also hab ich versucht alle RAM´s zu „stressen“ damit mir Fehlermeldungen angezeigt werden. So könnte ich herausfinden welcher der RAM4 ist. Stressen kann man die RAM´s indem man ein Datenpin mit GND kurzschließt. Doch leider gab das board keinen Fehler aus. Schließlich hatte ich mich dann nochmal auf die Stelle konzentriert an der ich den IC nachgelötet hatte. Hatte dann an den IC´s den Diodentest durchgeführt. Anmerkung Diodentest an den IC´s: Die Platine wird ohne dass sie angeschlossen ist mit dem Multimeter und dem Diodentest komplett durchgeprüft, Plus Pohl vom Multimeter auf GND legen und mit GND vom Multimeter alle Pins durchgehen. Bei einem sehr niedrigem Wert um ca. 150 oder einem sehr hohen Wert über 900 könnte da was defekt sein wenn es keine Plus oder Minus Leitung ist und wenn auch kein Wiederstand in der Leitung hängt. Und siehe da, gerade an dem gesockelten IC hatte ich an PIN 9,11 und 12 schlechte Werte. Auch kann ich diese PIN´s mit den schlechten Werten auf GND duchklingeln. Das darf nicht sein. Hatte mir dann mal die Umgebung angeschaut und da ist mir ein Widerstandsarray RA10 aufgefallen. Nach genauerem hinschauen sah eine Stelle etwas komisch aus. Und tatsächlich war hier der PIN abgelöst. Um das besser sehen zu können hatte ich das Widerstandarray ganz leicht nach hinten gebogen und schon brach das Plastik auf. Total morsch das Teil. Tatsächlich durchläuft dieses Widerstandsarray RA10 den Grafikbereich 74LS174. Ein Blick auf den Schaltplan zeigt, dass dies der DAC-Wandler für blau und ist und für den eigentlichen Fehler verantwortlich war. Dieser wurde dann ausgelötet.
Die Sache mit dem Kurzschluss und dem durchklingeln des 74LS08 und des 74LS138 auf GND gab mir weiterhin zu denken. Das muss doch irgendwo eine Ursache haben. Hab mir dann nochmal meine funktionierende Bomb Jack danebengelegt und nochmal in aller Ruhe gemessen. Tatsächlich sind PIN 9, 12 und 13 des 74LS08 durchgängig nach GND. Das lässt sich durchmessen bis auf den 74LS138. Auch nach gezogenem 74LS08 hatte ich das immer noch. Dann konnte es doch nur der 74LS138 sein. Das wär der Ausgangspunkt. Hab diesen dann ausgelötet und im Retro Chip Tester getestet. Bingo, Fehler gefunden.
Das fehlende blau ist jetzt noch dem Widerstandsarray geschuldet. Wenn der drauf ist sollten alle Farben funktionieren.
Nun musste noch das Widerstandsarray in Ordnung gebracht werden. Da dieser Custom ist musste er entweder aus dem im Schaltpan angegebenen Widerständen gebaut, oder repariert werden. Kritisch war nur eine Stelle, wo das Beinchen dirket am Gehäuse gebrochen war. Dies hatte ich aber mit einem Cuttermesser gut freilegen können. Dann hatte ich die Beinchen wieder dran gebastelt. Hierzu diente ein ausgedienter defekter RAM. Dieser hat die Beinchen für den Widerstandsarry spendiert. Übrigens waren die Beinchen total marode. Ein einziges Beinchen hielt stand, was ich dann verstärkte. Okay, ein schönheitswettbewerb gewinnen wir hier nicht, aber es erfüllt seinen Zweck.
Nun funktionierten auch die Farben wieder.
Doch leider nur ca. 1 Stunde, dann gab es Grafikfehler.
Der Fehler war aber schnell durch abklopfen und drücken gefunden. Es ist der Sockel für Eprom 3. Wenn ich mit der Messspitze im Betrieb gegen das Eprom an PIN22 gedückt habe war der Fehler weg. Hatte den Eprom dann gezogen und sah dass das Inlay am PIN22 leicht verbogen war. War echt minimal, aber das hat wohl für den Fehler gereicht. Schließlich hatte ich den Sockel dann gewechselt. Nach dem Wechsel hatte ich die Platine dann mit dem Heisluftfön vorsichtig erhitzt um zu sehen ob sie stabil läuft. Auch hatte ich sie nochmals abgeklopft. Am Ende war alles in Ordung. Abschließend wollte der Kollege noch einen Bomb Jack to Jamma Stecker…
Vielen Dank an SamWhisky, mrdo und Marty aus dem „arcade reloaded“ Forum für die Hilfe und Unterstüzung bei der Reparatur des Boards. Gerne dürft Ihr in unserem Forum an der Restauration / Reparatur teilhaben und mitdiskutieren. Zum Thread gehts hier. Eine Registrierung ist erforderlich. Materialeinsatz: - 1 x Sockel 14 PIN - 1 x Sockel 16 PIN - 1 x Eprom Sockel 24 PIN - 1 x 74LS138 - 1 x Jamma Finger Print Leiste - 1 x Pinout Leiste 36 PIN - Kabel
Zurück zum Blog Zurück zum Blog