Pflaugis - Arcade
© Pflaugis - Arcade 2026 / Letztes Update: 14.01.2026

Die Welt der Arcade Games....

Pac Man, Asteroids, Galaxian, Galaga, Missile Command, Frogger, Phoenix, Battle Zone, Hang on, Outrun... ...schöne Erinnerungen an eine schöne Zeit...
Cosmic Alien - Rückbau Cosmic Alien - Rückbau
Fehleranalyse: - Umbau in Donkey Kong Junior - kein Original Netzteil - ohne Spielpatine - Verkabelung - Fehlendes Marquee - Defekte / Fehlende Beleuchtung - Überholung Monitor

Universal Cosmic Alien - Rückbau zum Original

Habe über Kleinanzeigen einen Original Universal Cosmic Alien ergattert. Leider umgebaut zu einen Donkey Kong Junior. Mein Ziel war es den Cosmic Alien wieder in den Originalzustand rückzubauen. Hier mal die Bilder vom Zustand nach der Abholung.
Als erstes hatte ich den Monitor ausgebaut und ihn an Winni gegeben, damit er Überholt wird.
Innen sah das Gerät soweit gut aus. Einige Kabel waren vom Trafo abgetrennt, aber darum kümmere ich mich später wenn der Monitor zurück ist.
Was mich noch interessiert hatte war die defekte Marquee Beleuchtung. Hatte deshalb das alte Marquee entfernt und mal danach geschaut. Am Ende war aber nur der Starter defekt. Leider ein Exot mit Gewinde (Im Bild mal den Vergleich). Nach dem Austausch funktionierte die Beleuchtung wieder.
Danach war der Münzprüfer dran. Hier war einer mit der amerikanischen Währung eingebaut, den ich gegen einen DM Münzprüfer ausgetauscht hatte. Dieser musste aber erst mal einen Waschgang über sich ergehen lassen. Danach wurde der amerikanische Währungsaufkleber entfernt, und schau an, darunter war das DM Glas.
Dann ging es weiter mit dem Netzteil. Im Gerät wurde das Original Netzteil durch ein Fremdfabrikat ersetzt. Da ich ein Original Univeral Netzteil hier hatte, werde ich dieses zurückbauen. Dazu musste ich auch die Kabel, die an den Steckern abgeschnitten wurden wieder anbringen.
Bevor ich das Original Netzteil einbaute, wurde es erst gewaschen und in Ordnung gebracht. Das angeschmorte Kabel auf der Rükseite wurde ersetzt.
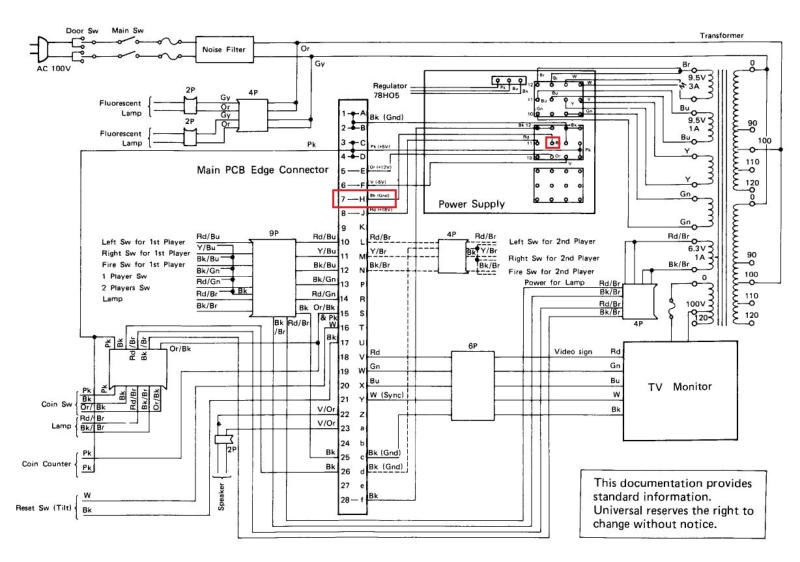
Danach hatte ich mir das Schaltbild angeschaut und die Sicherungen kontroliert. Tatsächlich waren teils falsche Werte verbaut. Diese wurden getauscht. Danach ging es an den Ausbau des alten Netzteils. Dazu wurde die Hauptstromversorgung gekappt und die Kabel die an den Pinout führten. Schließlich hatte ich mir die Kabel angeschaut, die der Vorbesitzer abgeschnitten hatte. Da alle 4 Kabel +15V liefern ist es wohl egal wie man die anschließt. Trotzdem hab ich gelb zu gelb und grün zu grün, wobei ich 2 Kabel etwas verlängern musste.
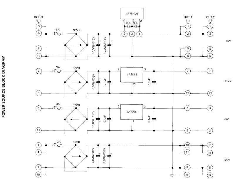
Nachdem alles angeschlossen war, hatte ich eingeschaltet und gemessen. An den -5V hatte ich so um die -10V. Das ist falsch. Hatte mir dann einen Pinout Plan der Netzteil Anschlussbuchse gezeichnet und den Fehler mit mrdo aus dem arcade reloaded Forum gesucht. Tatsächlich war der Spannungsregler für -5V und 2 kleine Elkos defekt. Der Trafo wurde auch umgestellt von 220 auf 240 Volt, dies ist besser für die Spannungsregler.
Schließlich kam der Monitor von Winni zurück. Dieser wurde dann zurück ins Cab gebaut.
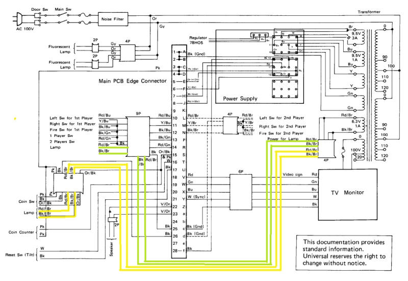
Weiter ging es dann mit dem Einbau der Cosmic Alien Platine. Da keine mit dem Automaten mitgeliefert wurde hatte ich eine aus meinem Bestand genommen. Es musste alles komplett neu verkabelt werden. Schließlich hatte ich schonmal Bild, Steuerung, Münzeinwurf und Coin Counter. Nur mit dem Ton war es mau. Bei lauter Lautsärke kam übersteuertes Kratzen und wenn der Pegel runtergedreht wurde nchts mehr. Alles leise. Hatte zuerst die PCB in Verdacht, aber die war in Ordnung. Der Fehler musste an der Verkabelung liegen. Wieso konnte ich PIN 7 bzw. H nicht gegen GND messen.... das war ja seltsam. Dann hatte ich es gefunden. PIN 7 bzw. H musste seperat mit GND aus dem Netzteil versorgt werden, denn dieses versorgt das Soundboard mit GND. Nun funktionierte auch der Ton.
Nun zum Control Panel. Hier fehlten die Lämpchen für den 1 bzw 2 Player Schriftzug. Der Vorgänger hatte diese ausgebaut und die Kabel für den Joystick (oben / unten) benutzt. Im Internet konnte ich mir die passenden Fassungen kaufen. Gegrübelt hatte ich dann beim Anschließen. Dachte zuerst dass die Lämpchen je nach Münzeinwurf anzeigen ob 1 bzw. 2 Player Spiel. Aber beim Blick auf den Anschlussplan stellte man fest das diese Dauerleuchten. Gemäß Anschlussplan hab ich dann alles verkabelt.
Inzwischen ist auch das bestellte Marquee von arcadeartrepro.com angekommen. Sieht mal wieder Top aus.
Am Ende störte mich noch vorne der Blechstreifen über der Kassentür zum Panel. Der gehörte da nicht hin. Also hab ich das Ding weggeschraubt und festgestellt das er (zum Glück) nicht umsonst da war...
Zusätzlich hatte ich noch Lüfter an das Netzteil und an den Hauptregeltransistor gebaut, da diese doch gut heiß werden.
Kann für mich nur sagen, dass das Gerät wieder richtig toll geworden ist. Ein Kindertraum wurde wahr… Vielen Dank für die Hilfe bei der Reparatur an mrdo, SamWhiskey und Winni aus dem „arcade reloaded“ Forum. Gerne dürft Ihr in unserem Forum an der Restauration / Reparatur teilhaben und mitdiskutieren. Zum Thread gehts hier. Eine Registrierung ist erforderlich.
Zurück zum Blog Zurück zum Blog